| FOTO | AUTO | EDV | AUDIO |
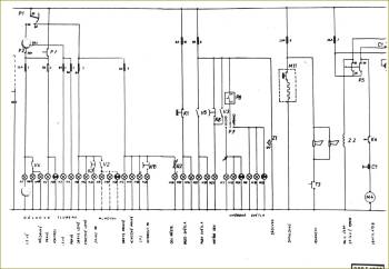
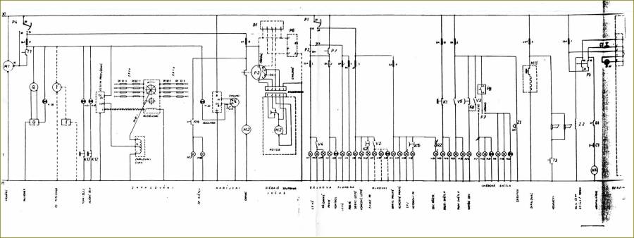
Der komplette Schaltplan des 2-603 Der obere Plan in zwei Teilen, zum Ausdrucken um beim Arbeiten Markierungen eintragen zu können
Weitere Schaltpläne :auto:tatra603:handbuch:schaltplaene:
Zurück Die Tatrawerke Historisches
Daten Technische Daten
Dokumente Erfahrungsbericht Kaufberatung
Handbuch Online Version Vorwort und Inhaltsverzeichnis Technische Beschreibung Allgemeine Angaben Bekanntmachung mit dem Fahrzeug Bedienung des Fahrzeugs Schmierung Instandhaltung
Ersatzteilliste Ersatzteilliste Explosionszeichnungen Alternative Ersatzteile
Werkstättenhandbuch Allgemeines Technische Angaben Motor Kraftstoffsystem Kupplung Getriebe & Hinterachse Vorderachse & Lenkung Federung & Stoßdämpfung Bremsen Räder & Bereifung Elektrische Einrichtung Karosserie Heizung & Lüftung Schmierung & Instandhaltung Spezialwerkzeuge Berichtigung & Ergänzung Publikation 384 Publikation 406 El. Schaltpläne
Sonstiges Videos Bilder Links im Internet